원스톱 알루미늄 제조

1993년 이래로, Zhongpeng는 다양한 산업 분야에 신뢰받는 알루미늄 제조업체로 자리매김해 왔습니다. 우리는 산업, 건설, 자동차, 철도, 전자 및 태양광 부문의 고객들이 요구하는 맞춤형 사양을 충족하기 위해 내구성 있는 알루미늄 압출재, 알루미늄 코일 및 시트, 맞춤형 알루미늄 부품을 제공합니다.

표준 알루미늄 압출 제품 및 평판 압연 제품 외에도, 고객의 사양과 산업 요구에 맞춘 맞춤형 알루미늄 압출 제품과 맞춤 제작 알루미늄 부품도 공급합니다.

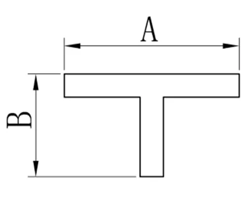
차량 부품에는 6061 또는 6082 알루미늄 T-바가 이상적인 선택입니다. 이 합금들은 높은 강도, 내식성 및 용접성을 제공하여 프레임, 보강재 및 기타 하중을 지탱하는 구조물에 적합합니다.

2024 알루미늄 합금 T-바는 강도와 피로 저항성을 제공하여 해양 및 구조용 응용에 이상적입니다. 프로파일은 특정 성능 요구 사항을 충족하기 위해 절단, 용접 및 표면 마감 처리를 통해 맞춤 제작할 수도 있습니다.